Ningbo Richge Technology Co. ، Ltd.
Ningbo Richge Technology Co. ، Ltd.
منتجات
Zn12-12 سلسلة متكاملة مفتاح التبديل قاطع الدائرة الفراغ
  • Zn12-12 سلسلة متكاملة مفتاح التبديل قاطع الدائرة الفراغZn12-12 سلسلة متكاملة مفتاح التبديل قاطع الدائرة الفراغ
  • Zn12-12 سلسلة متكاملة مفتاح التبديل قاطع الدائرة الفراغZn12-12 سلسلة متكاملة مفتاح التبديل قاطع الدائرة الفراغ

Zn12-12 سلسلة متكاملة مفتاح التبديل قاطع الدائرة الفراغ

Model:ZN12-12
Zn12-12 Series Indoor AC HV Circuit Breaker هي المعدات الداخلية لثلاث مراحل AC 50Hz ، الجهد المصنف 12 كيلو فولت ، والتي قدمت التكنولوجيا من الشركة الألمانية. إنها مناسبة للمساحة التي تحتوي على جميع أنواع الحمل والتشغيل المتكرر ، ويمكن استخدامها لحماية والتحكم في المرافق الكهربائية الصناعية والتعدين ، والمؤسسات ، ومحطة الطاقة ، والمرافق الكهربائية المحطات الفرعية. هذا المنتج يتوافق مع المتطلبات ذات الصلة من GB1984 و JB3855 و DL403 و IEC.

Zn12-12 سلسلة متكاملة مفتاح التبديل قاطع الدائرة الفراغ

  Zn12-12 Idour-abortage Circuum Circuit Breaker مصنفة من 12 كيلو فولت ومفتاح الجهد العالي الداخلي التالي ، المثبت بشكل رئيسي في مفاتيح ثابتة ، وللحصول على محرك الصناعي والتعدين ، ومحطات الطاقة والمحطات الفرعية لحماية والتحكم في المرافق الكهربائية ، وهي مناسبة لكسر الأحمال المهمة والمتكررة للمكان!

  قواطع الدائرة الفراغية Zn12 هي جهاز مفاتيح مفاتيح داخلي عالي الجهد مع فولتية مصنفة من 12 كيلو فولت ، 24 كيلو فولت ، و 40.5 كيلو فولت ، وثلاثة مراحل AC 50 هرتز. إنه منتج محلي تم تطويره من خلال إدخال تقنية Siemens 3AF الألمانية. إن آلية تشغيل قاطع الدائرة هي نوع تخزين طاقة في الربيع ، يمكن تشغيله بواسطة AC أو DC ، أو يدويًا. يحتوي قاطع الدائرة على بنية بسيطة ، وسعة كسر قوية ، وحياة خدمة طويلة ووظائف التشغيل الكاملة. وليس هناك خطر من الانفجار ، والصيانة بسيطة. إنه مناسب لمفتاح التحكم أو حماية أنظمة نقل الطاقة وتوزيع الطاقة مثل محطات الطاقة والمحطات الفرعية والمؤسسات الصناعية والتعدين ، وخاصة مناسبة لكسر الأحمال المهمة وأماكن التشغيل المتكررة. يمكن أن يكون نموذج تثبيت قاطع الدائرة في خزانة التبديل إما نوعًا ثابتًا أو قاطع دائرة نوع قابل للسحب. يتوافق هذا المنتج مع المعايير ذات الصلة مثل GB1984 و JB3855 و IEC6271-100 "قاطع دائرة AC عالية الجهد".


المزايا:

1. أقر قاطع الدائرة تقييم وزارة الآلات ووزارة الطاقة الكهربائية في 96 أغسطس ، مما يعني أن الجودة مضمونة تمامًا.

تم دمج آلية قاطع الدائرة مع المفتاح ، ويمكن تشغيل آلية مشغل نوع تخزين طاقة الربيع الخاصة بواسطة تخزين طاقة AC و DC أو تديرها يدويًا.

من خلال بنية بسيطة ، وسعة كسر قوية ، وحياة الخدمة الطويلة ، ووظائف التشغيل الكاملة ، ولا يوجد خطر الانفجار وسهولة الصيانة ، فإن قاطع الدائرة هذا مناسب لتحكم أو حماية نظام نقل الطاقة ونظام التوزيع مثل محطة توزيع الطاقة ، وشبكة طاقة المدينة ، والمحطة الفرعية ، وما إلى ذلك. إنه مناسب بشكل خاص لكسر الأحمال المهمة والأماكن المتكررة.


سمات:

1. إن القدرة على كسر غرفة إطفاء القوس مرتفعة ، والقدرة الاستيعابية الحالية منخفضة ، والحياة الكهربائية طويلة.

2. التخطيط من الأمام إلى الخلف ، بنية بسيطة ومدمجة ، تشغيل كامل وسهولة الصيانة.

3. من أجل التركيب والتركيب ، يمكن تقسيمها إلى: النوع الثابت الأفقي ، نوع ثابت مائل ، النوع الأوسط المنقول.






المعلومات الأساسية.



المعلمات الفنية



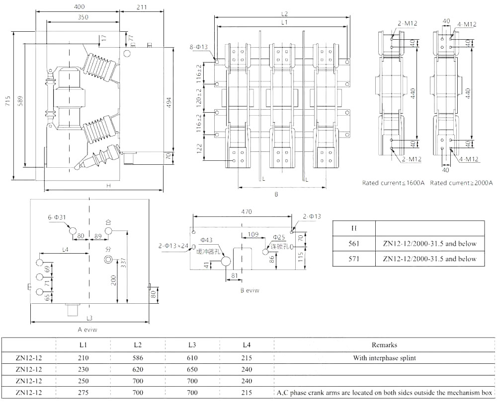
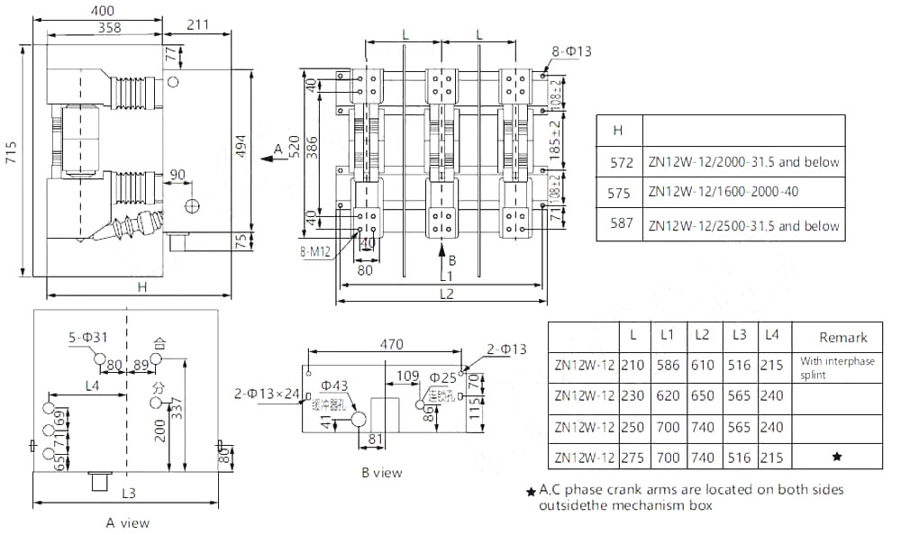
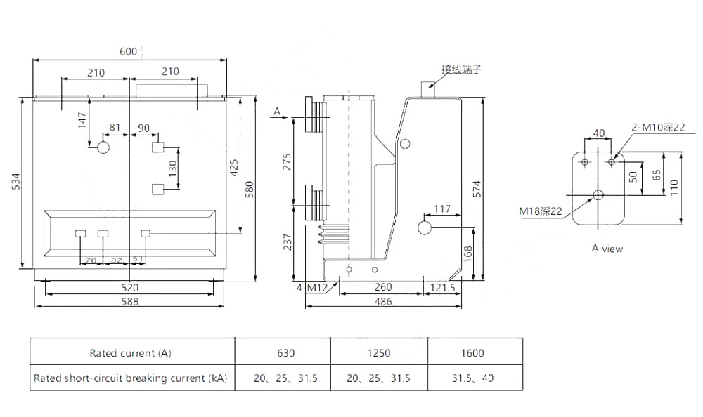
الرسومات الفنية


ظروف استخدام Zn12-12 مفتاح العمود المتكامل circuum circuit circue1. الارتفاع: ≤1000 م ؛ (يمكن أن يصل ارتفاع النموذج الأولي إلى أقل من 4000 متر)

2. درجة الحرارة المحيطة: أعلى +40 درجة مئوية ، أدنى -25 درجة مئوية ؛

3. الرطوبة النسبية: المتوسط ​​اليومي لا يزيد عن 95 ٪ ، وهو متوسط ​​شهري لا يزيد عن 90 ٪ ؛

4. شدة الزلزال: أقل من 8 ؛

5. بيئة التثبيت: لا حريق ، خطر الانفجار ، لا غاز تآكل ولا مكان اهتزاز عنيف.

6. يرجى الاتصال بشركة تصنيع قاطع الدائرة الفراغ إذا تجاوزت بيئة الاستخدام ما ورد أعلاه.




التعليمات

س: هل يمكنني الحصول على أسعار منتجاتك؟

ج: مرحبًا. لا تتردد في إرسال استفسار إلينا هنا. سوف نرد عليك في غضون 24 ساعة.


س: هل يمكنني الحصول على عينة قبل الترتيب بالجملة؟

ج: نعم ، نرحب بترتيب العينة لاختبار الجودة والتحقق من الجودة.


س: هل يمكننا طباعة اسم شعارنا/ الشركة على المنتجات؟

ج: نعم ، بالطبع ، نحن نقبل OEM ، ثم نحتاج منك لتقديم تفويض للعلامة التجارية لنا


س: هل تقبل تخصيص المنتج؟

ج: نعم ، بالطبع ، يرجى تقديم رسومات أو معلمات محددة ، وسوف نقتبسك بعد التقييم


س: ما هو مهلة الرصاص؟

ج: يعتمد مهلة الرصاص على الكميات المطلوبة ، بشكل عام في غضون 7-20 يومًا بعد تلقي الدفع.


س: ما هي شروط التجارة الخاصة بك؟

ج: نحن نقبل exw ، fob ، cif ، fca ، إلخ.


س: ما هي طريقة الدفع الخاصة بك؟  

ج: نحن نقبل T/T ، Western Union ، PayPal ، L/C غير القابل للإلغاء في البصر ، إلخ


س: هل تفحص المنتجات النهائية؟

ج: نعم ، سيتم طرح كل خطوة من خطوات الإنتاج والمنتجات النهائية من قبل قسم مراقبة الجودة قبل الشحن. وسوف نقدم تقارير فحص البضائع للرجوع إليها قبل الشحن


س: كيف تحل مشاكل الجودة بعد المبيعات؟

ج: التقط صورًا لمشاكل الجودة وأرسل إلينا لفحصنا وتأكيدنا ، سنقوم بحل راضٍ لك في غضون 3 أيام.




مصنع


شهادة




الكلمات الساخنة: Zn12-12 سلسلة متكاملة مفتاح العمود الفراغ قاطع الدائرة ، الصين ، الشركة المصنعة ، المورد ، المصنع ، انخفاض السعر ، الجودة ، أحدث البيع ، المتقدم
إرسال استفسار
معلومات الاتصال
للاستفسارات حول المفاتيح الكهربائية ذات الجهد المنخفض، وعوازل الجهد العالي، ومفتاح التأريض عالي الجهد أو قائمة الأسعار، يرجى ترك بريدك الإلكتروني لنا وسنكون على اتصال خلال 24 ساعة.
X
We use cookies to offer you a better browsing experience, analyze site traffic and personalize content. By using this site, you agree to our use of cookies. Privacy Policy
Reject Accept