Ningbo Richge Technology Co. ، Ltd.
Ningbo Richge Technology Co. ، Ltd.
منتجات
VBI-24 من النوع الثابت عزل الأسطوانة قاطع دائرة الفراغ MV
  • VBI-24 من النوع الثابت عزل الأسطوانة قاطع دائرة الفراغ MVVBI-24 من النوع الثابت عزل الأسطوانة قاطع دائرة الفراغ MV
  • VBI-24 من النوع الثابت عزل الأسطوانة قاطع دائرة الفراغ MVVBI-24 من النوع الثابت عزل الأسطوانة قاطع دائرة الفراغ MV

VBI-24 من النوع الثابت عزل الأسطوانة قاطع دائرة الفراغ MV

Model:VBI-24
يعد قاطع دائرة الفراغ الداخلي من سلسلة VBI جيلًا جديدًا من قواطع دائرة الفراغ الذكية. يتم تغليف مكوناتها الحية ، بما في ذلك مقاطع الفراغ عالية الأداء والمحطات العليا والسفلى ، في أطراف ما بعد راتنجات الإيبوكسي. يساعد هذا التصميم في منع التلوث على سطح المقاطع الفراغ ، مما يعزز خصائص العزل ، والاستقرار الميكانيكي ، وتوسيع عمره التشغيلي. يتم استخدام آلية تشغيل BEAKER من نوع VBI-24 المثبتة على الجانبية ، الربيع إلى طاقة التخزين ، والتي يمكن تشغيلها بطريقتين ، يدويًا أو كهربائيًا. الخصائص تتوافق مع GB1984-89 ، JB3855-96<10kv Indoor High Voltage Vacuum Circuit Breaker General Technical Specifications>، الأحكام ذات الصلة من معيار IEC56. VBI-24 INDOOR VOLTAGE CIRCUE CIRCUUM BRISLER هو الجهد المكون من ثلاثة مراحل AC 50Hz , الجهد المصنوع من الجهد الداخلي 24 كيلو فولت , للمؤسسات الصناعية والتعدين ، ومحطات الطاقة والمحطات الفرعية كتحكم في المعدات الكهربائية وحمايةها ، وللتشغيل المتكرر للمكان.

VBI-24 من النوع الثابت عزل الأسطوانة قاطع دائرة الفراغ MV

   سلسلة VBI-24 من قاطع دائرة الفراغ العالي الجهد الداخلي مع أعمدة مضمنة هي ثلاث عبارات A.C.50 هرتز معدات توزيع الطاقة الداخلية مع الجهد المقنن من 24 كيلو فولت.

   الدائرة الموصلة الرئيسية لهذا النوع من قاطع الدائرة الفراغية مع آلية الربيع مضمن ، والتي يمكن أن تحسن بشكل كبير من موثوقية العزل والأداء الميكانيكي والكسر ويدرك حقًا الصيانة الحرة والحياة الميكانيكية والكهربائية الأطول. تصل القدرة إلى درجة M-E2-C2.

   يتم استخدام المنتج في العديد من أنواع المفاتيح مثل Kyn28-24 (GZS1) ويمكن تثبيته الثابتة.

  VBI-24 INDOOR VOLTAGE CIRCUE CIRCUUM BRISLER هو الجهد المكون من ثلاثة مراحل AC 50Hz , الجهد المصنوع من الجهد الداخلي 24 كيلو فولت , للمؤسسات الصناعية والتعدين ، ومحطات الطاقة والمحطات الفرعية كتحكم في المعدات الكهربائية وحمايةها ، وللتشغيل المتكرر للمكان.







المعلومات الأساسية.


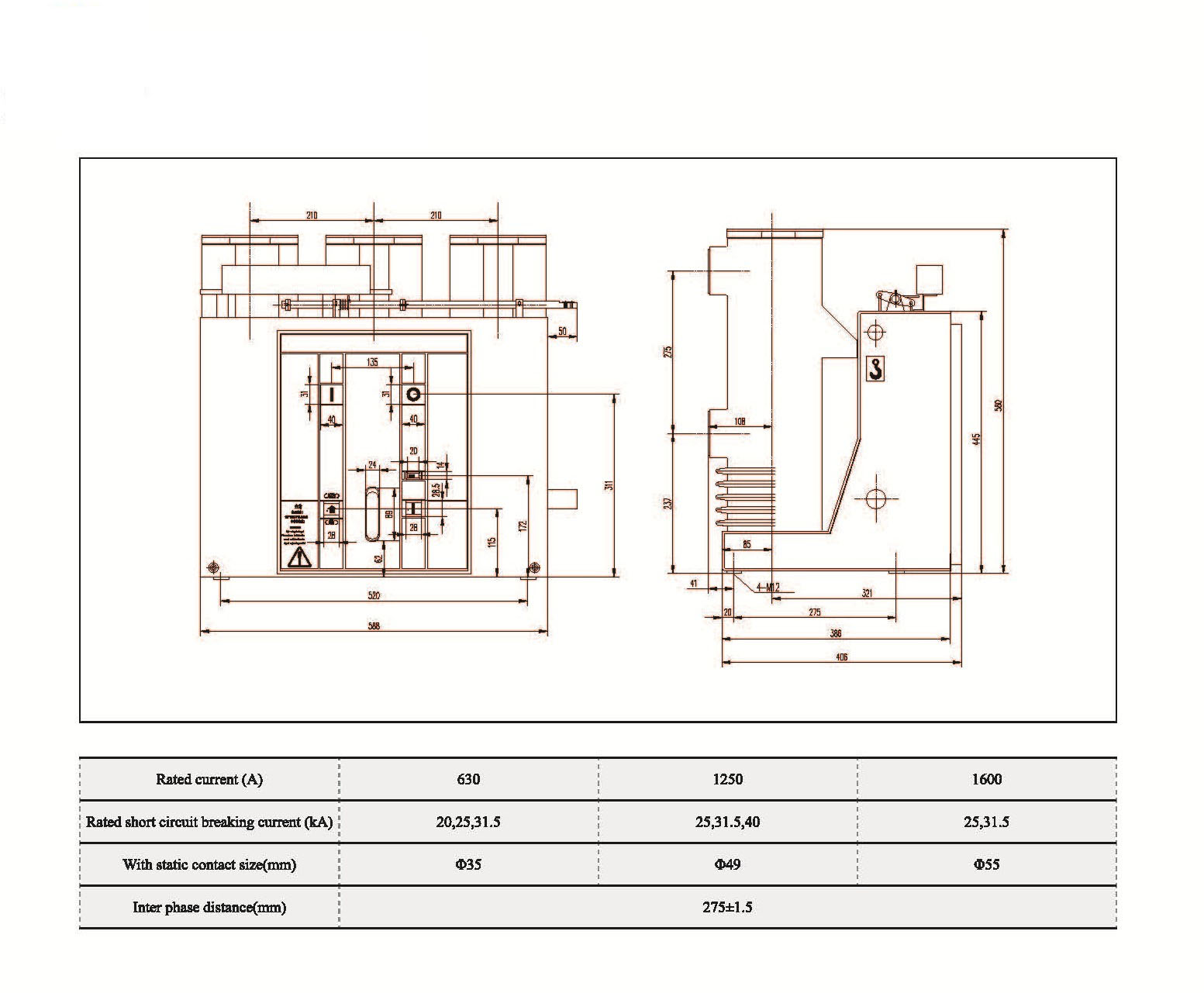
المعلمات الفنية




الرسومات الفنية

التعليمات

س: هل يمكنني الحصول على أسعار منتجاتك؟

ج: مرحبًا. لا تتردد في إرسال استفسار إلينا هنا. سوف نرد عليك في غضون 24 ساعة.


س: هل يمكنني الحصول على عينة قبل الترتيب بالجملة؟

ج: نعم ، نرحب بترتيب العينة لاختبار الجودة والتحقق من الجودة.


س: هل يمكننا طباعة اسم شعارنا/ الشركة على المنتجات؟

ج: نعم ، بالطبع ، نحن نقبل OEM ، ثم نحتاج منك لتقديم تفويض للعلامة التجارية لنا


س: هل تقبل تخصيص المنتج؟

ج: نعم ، بالطبع ، يرجى تقديم رسومات أو معلمات محددة ، وسوف نقتبسك بعد التقييم


س: ما هو مهلة الرصاص؟

ج: يعتمد مهلة الرصاص على الكميات المطلوبة ، بشكل عام في غضون 7-20 يومًا بعد تلقي الدفع.


س: ما هي شروط التجارة الخاصة بك؟

ج: نحن نقبل exw ، fob ، cif ، fca ، إلخ.


س: ما هي طريقة الدفع الخاصة بك؟  

ج: نحن نقبل T/T ، Western Union ، PayPal ، L/C غير القابل للإلغاء في البصر ، إلخ


س: هل تفحص المنتجات النهائية؟

ج: نعم ، سيتم طرح كل خطوة من خطوات الإنتاج والمنتجات النهائية من قبل قسم مراقبة الجودة قبل الشحن. وسوف نقدم تقارير فحص البضائع للرجوع إليها قبل الشحن


س: كيف تحل مشاكل الجودة بعد المبيعات؟

ج: التقط صورًا لمشاكل الجودة وأرسل إلينا لفحصنا وتأكيدنا ، سنقوم بحل راضٍ لك في غضون 3 أيام.




مصنع


شهادة




الكلمات الساخنة: VBI-24 من النوع الثابت عزل الأسطوانة MV Circuit Breaker ، الصين ، الشركة المصنعة ، المورد ، المصنع ، السعر المنخفض ، الجودة ، أحدث البيع ، المتقدم
إرسال استفسار
معلومات الاتصال
للاستفسارات حول المفاتيح الكهربائية ذات الجهد المنخفض، وعوازل الجهد العالي، ومفتاح التأريض عالي الجهد أو قائمة الأسعار، يرجى ترك بريدك الإلكتروني لنا وسنكون على اتصال خلال 24 ساعة.
X
نحن نستخدم ملفات تعريف الارتباط لنقدم لك تجربة تصفح أفضل، وتحليل حركة مرور الموقع، وتخصيص المحتوى. باستخدام هذا الموقع، فإنك توافق على استخدامنا لملفات تعريف الارتباط. سياسة الخصوصية
يرفض يقبل